





產品分類
Product Category您的位置: 首頁 > 產品中心 > 42SWY永磁無刷電機
* 42SWY系列永磁無刷電機直徑42mm圓形
* 絕緣等級F,耐高溫155度
* 可以選用正弦波驅動器,適合特低靜音應用場合
* 可以設計高轉速15000RPM以上,
* 可以選配鑄件機殼,更好抑制噪音和振動。
* 可改裝端蓋,選裝各種驅動器、編碼器等
* 永磁無刷電機可代替進口電機:AMETEK MCG PITTMAN BTSR
* 42SWY系列永磁無刷電機廣泛應用于點鈔機、定位系統、張力控制器
性能參數
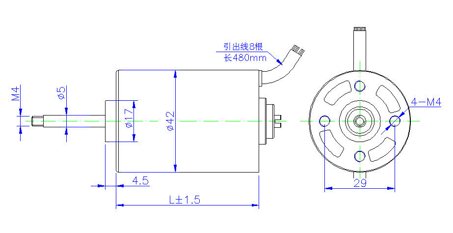
外形尺寸
定制說明
上一個:60SWA無刷直流電機
下一個:42SW系列無刷直流電機
聯系方式
contact us地址:無錫市濱湖區胡埭工業園北區聯合路10號A1棟
手機:15335200825(吳建群)
電話:0510-85581922
傳真:0510-85582300
關注我們
QR COdE